patrickribbsaeter
New member
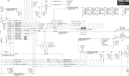
Hi, have a customers Macbook pro retina 15" 820-3332-A
Any suggestions pls? thanks
- I have pp3v42(green and yellow light) on the charger.
- No water damage, computer just shut off for customer
- L7030 > Pin 2 outputs 1.5v.
- R7020 pin2 only 16.5v.
- U7000 pin3(AC IN 3.8v)
Any suggestions pls? thanks
Attachments
Last edited: